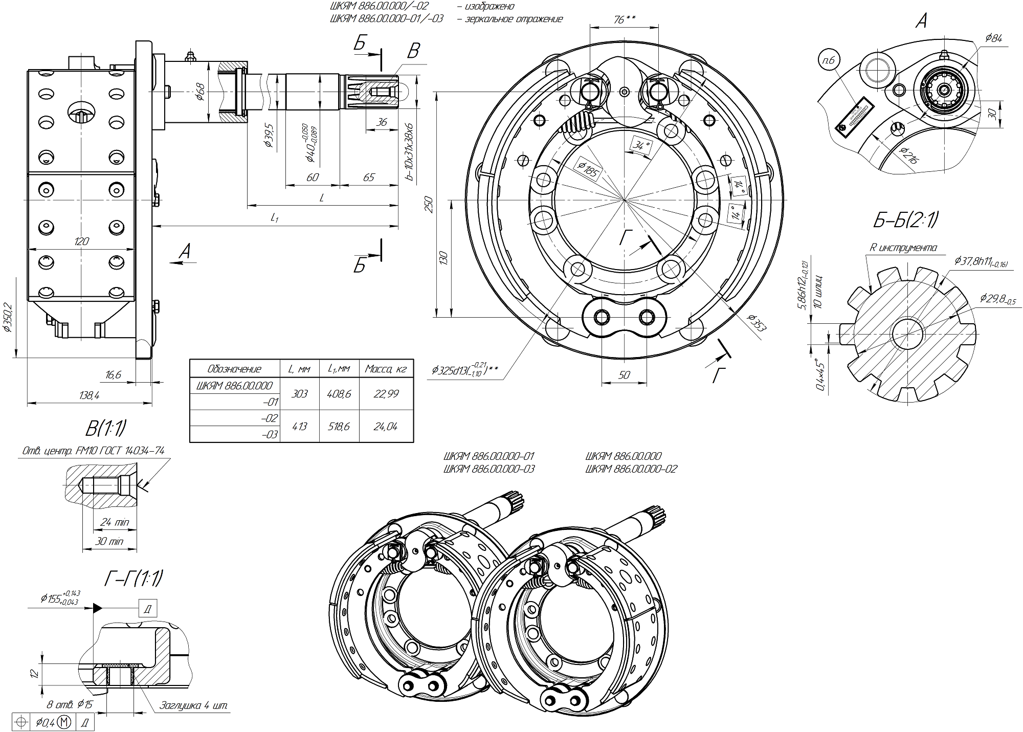
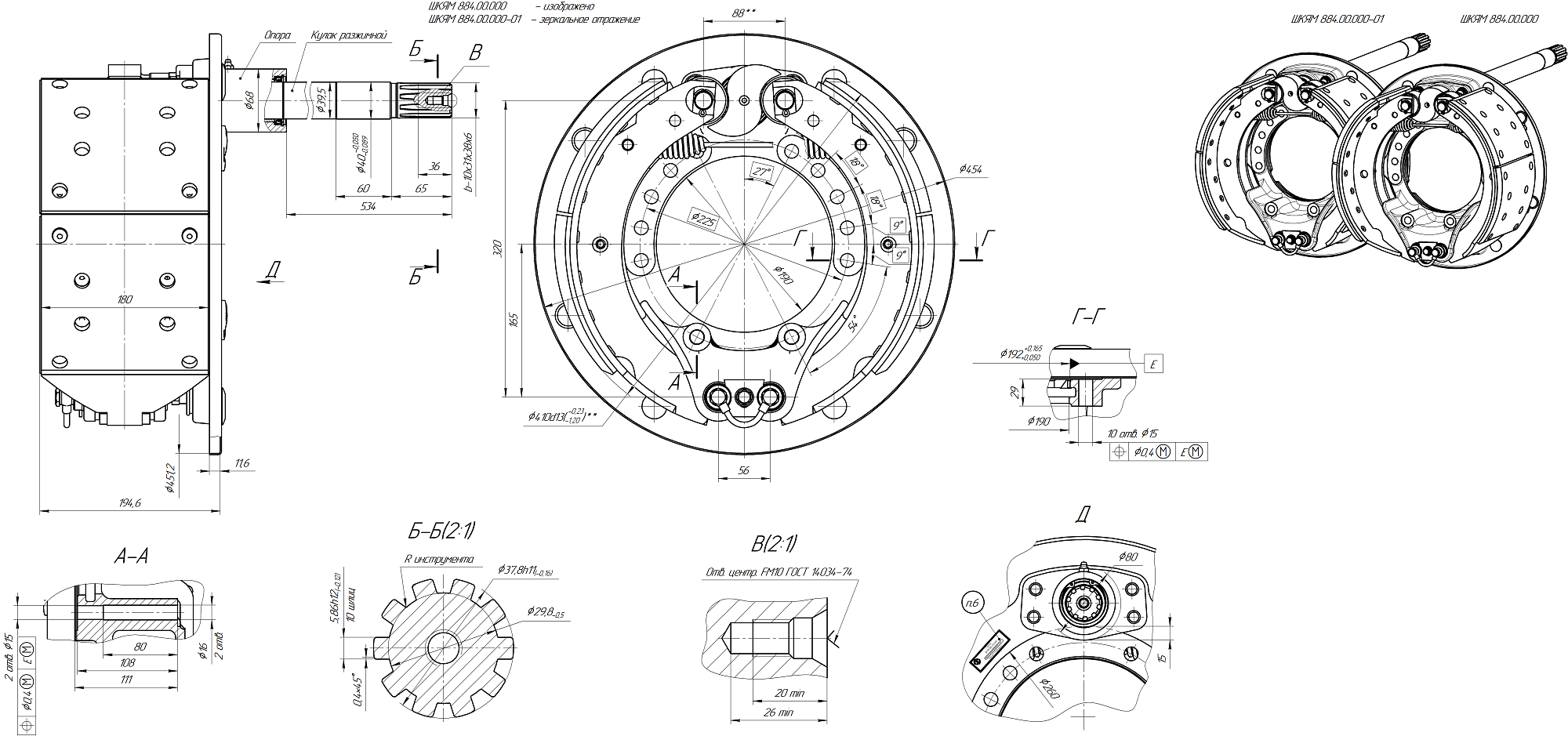
Тормоз передний
Описание
Предназначены для создания тормозного момента при торможении и устанавливаются в колесах автомобилей и автобусов, оборудованных пневматическим приводом тормозов.
Характеристики
Применяемость:
автомобильная, автобусная техника МАЗ




