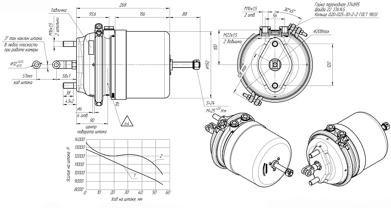
Камера тормозная поршневого типа
Описание
Преобразуют энергию сжатого воздуха в поступательное движение штока, которое передается на все элементы системы, осуществляя торможение
Характеристики
Применяемость:
автомобильная, автобусная, прицепная техника МАЗ, Могилевтрансмаш, ТОНАР, МЗКТ
Тип:
30/30
Рабочее давление, МПа:
0,8

