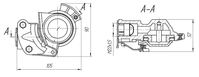
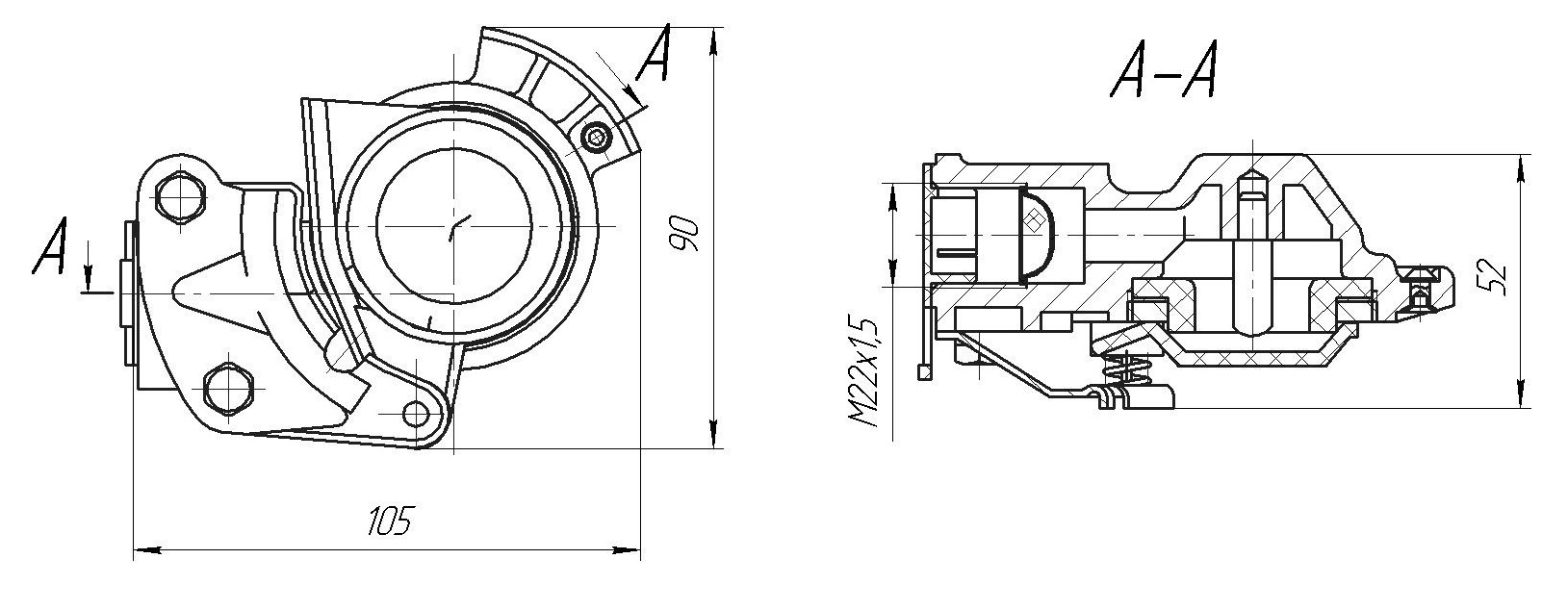
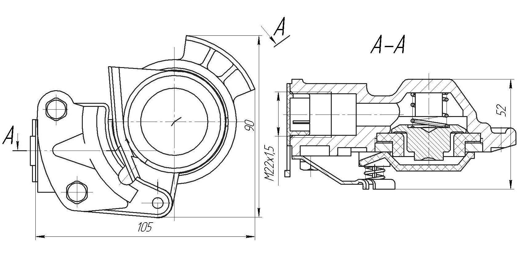
Головка соединительная
Описание
Применяются для соединения пневмосистемы прицепа с пневмосистемой тягача
Характеристики
Применяемость:
тракторная техника МТЗ





