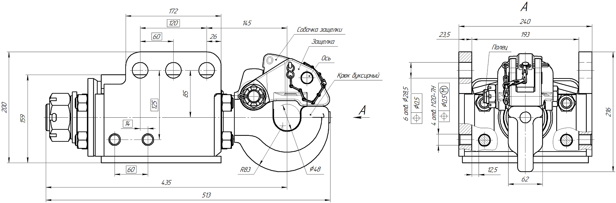
Устройство тяговое
Описание
Является тягово-сцепным устройством и служит для работы с одноосными и двухосными прицепами.
Характеристики
Применяемость:
Тракторная техника БТЗ
Масса,кг:
57 кг
Диаметр отверстия шарниров, мм:
48 мм

