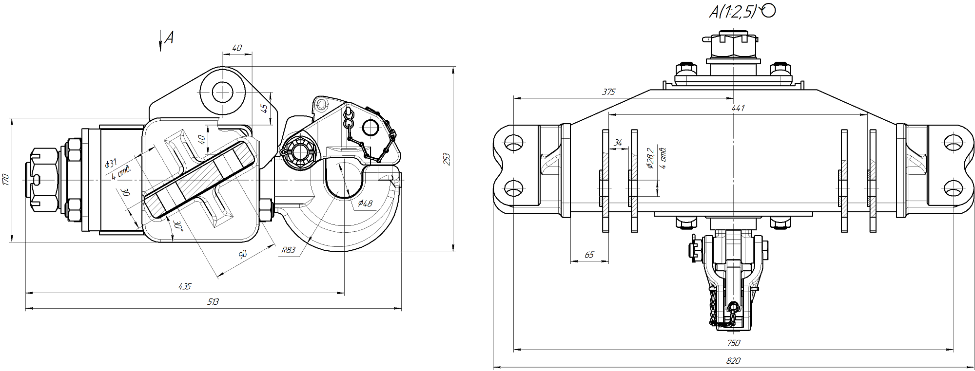
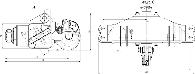
Крюк гидрофицированный
Описание
Крюк гидрофицированный 700А.46.29.000-2 предназначен для сцепки трактора с сельскохозяйственными машинами и полуприцепами.
Характеристики
Применяемость:
тракторная техника ПТЗ


