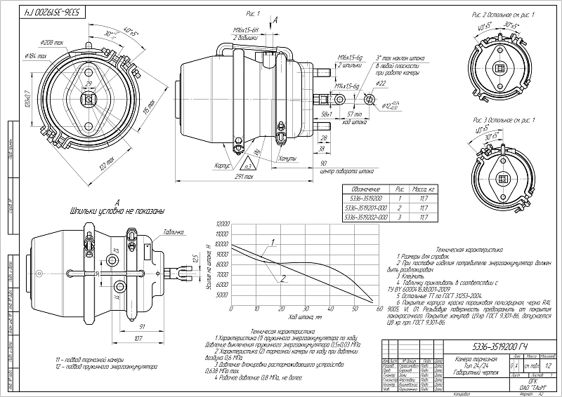
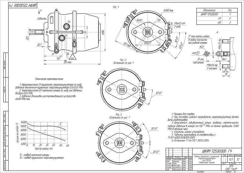
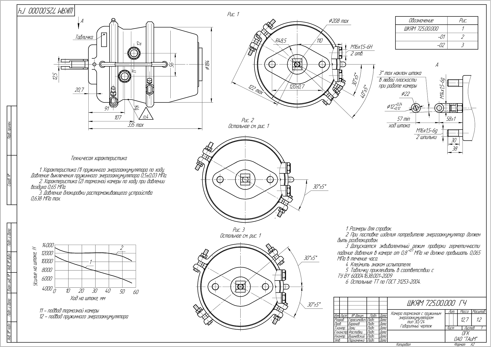
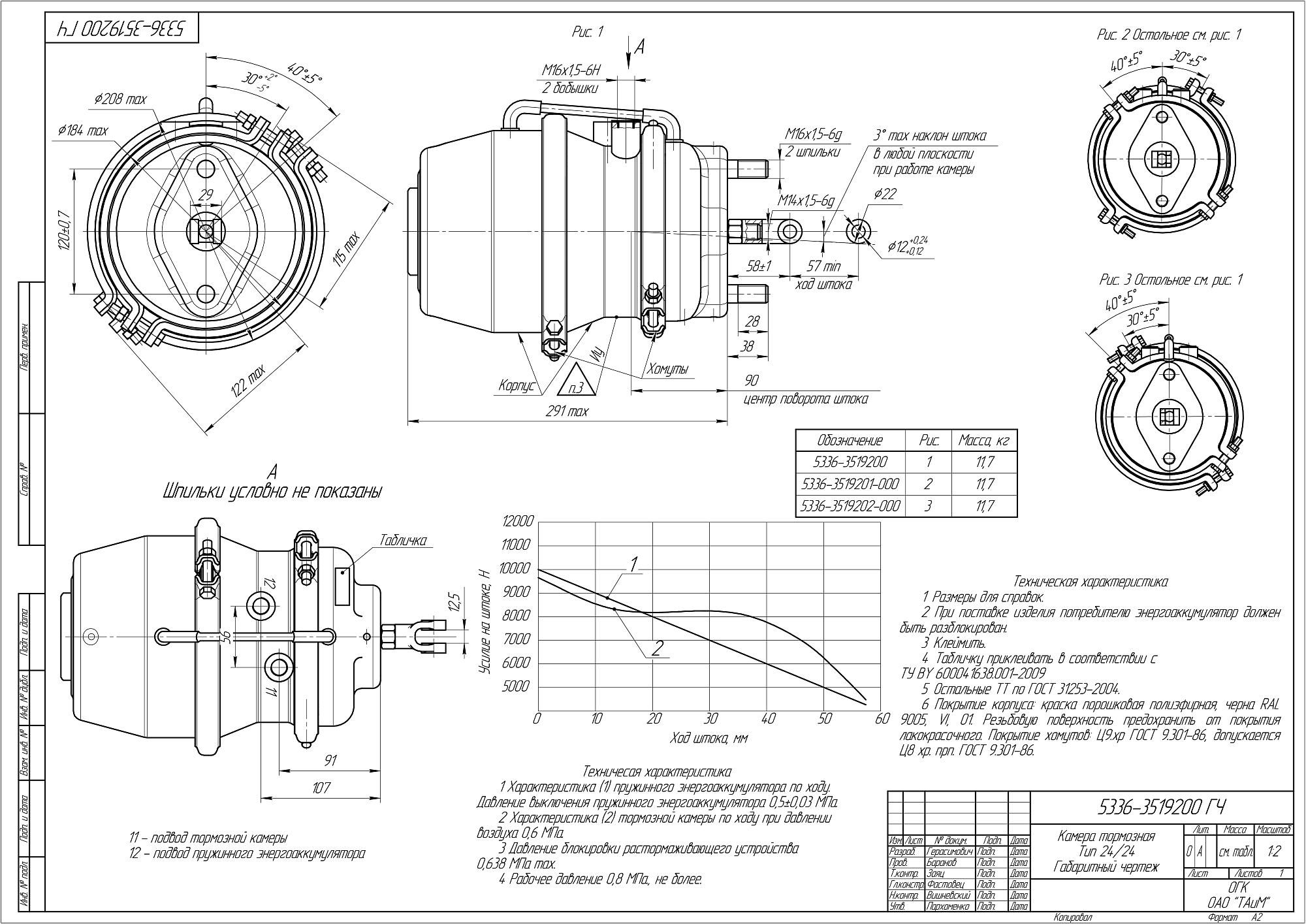
Камера тормозная с пружинным энергоаккумулятором
Описание
Тормозная камера с пружинным энергоаккумулятором предназначена для приведения в действие тормозных механизмов. Камера состоит из двух частей: мембранной силовой и пружинно-мембранного энергоаккумулятора, который выполняет роль исполнительного механизма и затормаживает автомобиль на время стоянки, а также в движении, когда давление в пневмосистеме упадет ниже допустимого. Соответствуют требованиям ГОСТ 33543-2015
Характеристики
Применяемость:
автомобильная, автобусная, прицепная техника МАЗ, Бобруйскагромаш, Могилевтрансмаш, ТОНАР, Спецприцеп, МЗКТ
Рабочее давление, МПа:
0,8



