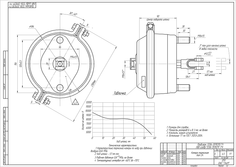
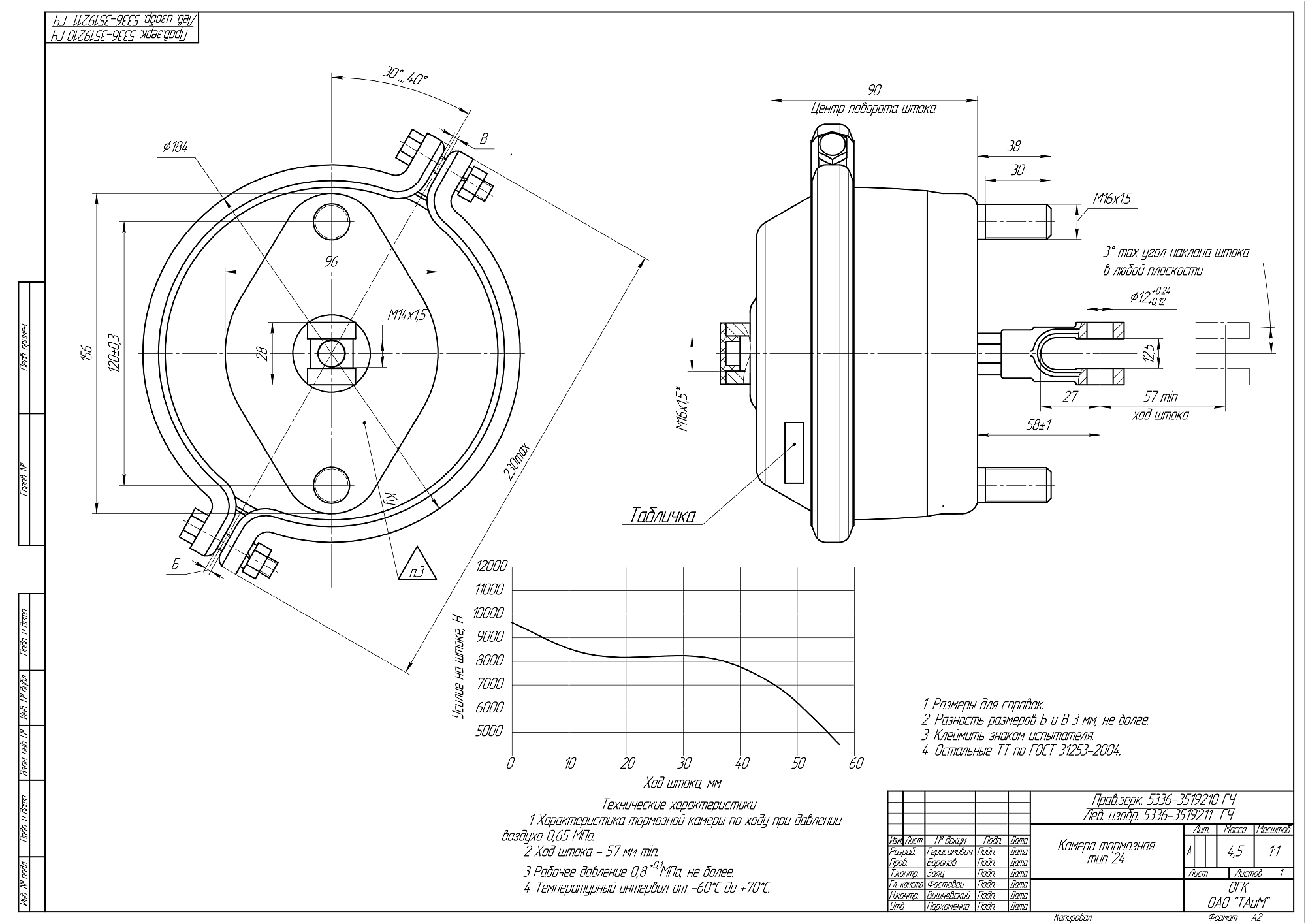
Камера тормозная
Описание
Тормозные камеры предназначены для преобразования давления сжатого воздуха в усилия, необходимые для приведения в действие тормозных механизмов. Соответствуют требованиям ГОСТ 33543-2015
Характеристики
Применяемость:
автомобильная, автобусная, прицепная техника МАЗ, Бобруйскагромаш, Могилевтрансмаш, ТОНАР, Спецприцеп, МЗКТ





