Подушка виброизоляционная

Подушка виброизоляционная
Подушка виброизоляционная
Описание
Предназначены для виброизоляции и защиты от ударных воздействий элементов конструкции автомобиля
Характеристики
Применяемость: техника МАЗ, ПАЗ, ЗИЛ, самоходные опрыскиватели
Обозначение Технические характеристики Примечания
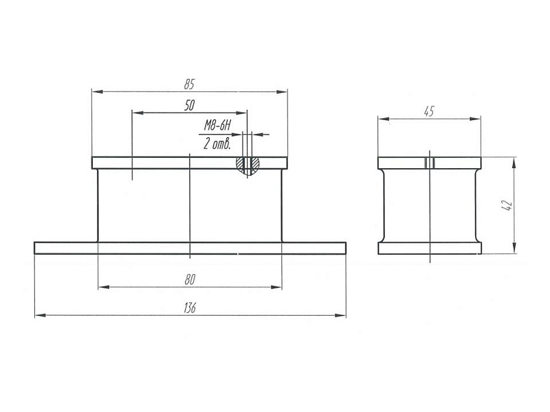
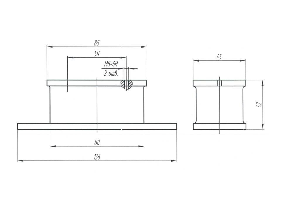
245-1001035 – Подушка боковой опоры Масса, кг, не более 4 Предназначены для виброизоляции и защиты от ударных воздействий элементов конструкции автомобиля, устанавливается в узле крепления силового агрегата автобусов ПАЗ, ЛАЗ
500-1001035 Б – подушка боковой опоры Масса, кг, не более 4 Предназначена для виброизоляции и защиты от ударных воздействий элементов конструкции автомобиля, устанавливается в узле крепления силового агрегата автомобилей МАЗ, ЗИЛ и других оборудованных двигателем ЯМЗ-236
Без штыря А
500-1001034 – подушка боковой опоры со штырем Масса, кг, не более 4
Со штырем А
504В-1001020 - Подушка Масса, кг, не более 0,75 Предназначена для виброизоляции и защиты от ударных воздействий элементов конструкции автомобиля, устанавливается в узле крепления силового агрегата автомобилей МАЗ
504В-1001035 – подушка боковой опоры Масса, кг, не более 4 Предназначена для виброизоляции и защиты от ударных воздействий элементов конструкции автомобиля, устанавливается в узле крепления силового агрегата автомобилей МАЗ, ЗИЛ и других оборудованных двигателем ЯМЗ-236
Без штыря А
504В-1001034 – подушка боковой опоры со штырем Масса, кг, не более 4
Со штырем А
6422-1001035-01 – подушка боковой опоры Масса, кг, не более 4,8 Предназначена для виброизоляции и защиты от ударных воздействий элементов конструкции автомобиля, устанавливается в узле крепления силового агрегата автомобилей МАЗ, ЗИЛ и других оборудованных двигателем ЯМЗ-236
Без штыря А
6422-1001034-01 – подушка боковой опоры со штырем Масса, кг, не более 5
Со штырем А
6422-1001035 – подушка боковой опоры Масса, кг, не более 5,1 Предназначена для виброизоляции и защиты от ударных воздействий элементов конструкции автомобиля, устанавливается в узле крепления силового агрегата автомобилей МАЗ, ЗИЛ и других оборудованных двигателем ЯМЗ-236
Без штыря А
6422-1001034 – подушка боковой опоры со штырем Масса, кг, не более 5,3
Со штырем А
64221-1302060 – Подушка радиатора Масса, кг, не более 0,65 Предназначена для виброизоляции и защиты от ударных воздействий элементов конструкции автомобиля, устанавливается в автомобилях МАЗ
ШКЯМ 311.000 – Подушка боковой опоры Масса, кг, не более 4,5 Предназначена для виброизоляции и защиты от ударных воздействий элементов конструкции автомобиля, устанавливается в узле крепления силового агрегата автомобилей ЗИЛ «Бычок»
Подушка виброизоляционная
Подушка виброизоляционная
Подушка виброизоляционная
Подушка виброизоляционная
Обратная связь