Опора гидравлическая
Описание
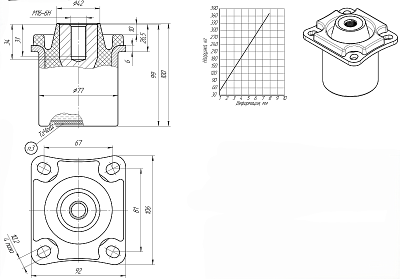
Гидравлическая опора- это комбинация резинового компонента и гидравлического амортизатора, который служит для поглощения вибрации.
Гидравлическая опора ШКЯМ 871.00.000 (аналог Hydraulic cone 32)
Гидравлическая опора ШКЯМ 870.00.00/-01 (аналог Hydraulic cone 71)
Характеристики
Применяемость:
тракторная техника ПТЗ, БТЗ, Гомсельмаш





